五金配件

当前位置:首页 > 五金配件 > 门控五金配件

联系我们

Contact Us

泰州市金盛不锈钢有限公司

地址:四川省成都市金牛区金府路777号金府五金机电城34栋4号

服务热线

15928048868

D400系列地弹簧
【产品详情】

D400系列

d400-1 

 d400-2   d400-3

 环保型地弹簧的型号在原有型号前加H

d400-4

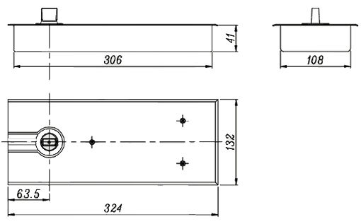
外形尺寸:306x108x41(mm)

使用性能 
为门扇关闭,90°为门扇定~ 90°之间门扇可自动关��0°~ 130°之间为缓冲区
)两段式速度关闭调节90°~15°为关门阶15°~ 0° 为闭锁阶?

泰州市金盛不锈钢有限公司是华东最大建筑五金配件生产企业,专业生产成都驳接爪,成都幕墙配件,成都楼梯扶手,成都栏杆立柱,大理石干挂件等装饰五金制品。期待您的光临,我们将竭诚为您服务。